LM317是比较常见的可调线性降压控制芯片,它的工作原理相当于串联稳压电路,通过调整内部开关管的导通程度,或这等效电阻来调整输出的电压。由于工作在线性,317在工作时发热量比较大,并且片内集成的开关管的输出电流有限。为了使317输出更大的电流,需要使用外接功率管扩展。 LM317参数及基本应用电路 LM317的输出电压范围为1.25V-37V,最大输出电流为1.5A,芯片内置了过流及过温?;すδ堋V饕腥殖S玫姆庾肮娓?,分别是SOT223,TO220以及TO263。TO220为直插封装,另外两种为贴片封装,使用贴片封装是,需要保证足够的散热条件,才能保证输出电流。

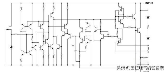
因为317属于线性调压芯片,所以在芯片的内部,主要的元件为晶体管,并通过最后一级的调整管跨接在输入与输出端,通过控制调整管的导通程度来调整最终的输出电压。由芯片的内部结构框图能够看出,最右边跨接在输入输出引脚之间的即为调整管。

由LM317构成的稳压电路外围结构比较简单,只需滤波电容和控制电压的电阻就可实现基本功能。

上图为典型的LM317应用电路,电阻中的R2为输出电压调节电阻,通过改变这个电阻的阻值,就可改变输出电压。由于317内部的电压基准为1.25V,所以它的输出电压计算公式为1.25(1+R2/R1)+(IadjxR2),其中Iadj为流过电阻R2的电流,由于这个电流很小,在实际的应用中是可以忽略的。电路中的两个二极管的作用是提供输入输出短路时的放电回路。 LM317扩流电路 由于LM317本身的散热能力有限,并且内部的调整管的电流也是比较小的,如果想要输出更大的电流,就需要外接扩展调整管。外接调整管实际上是通过317控制外接调整管的导通程度来使用,这样317内部的调整管就不会有大电流流过了。

上图为LM317扩流应用电路,外接调整管Q1实现。电路的基本结构没有改变,使用基本应用电路的输出端控制外接调整管Q1的基极实现调压功能。负载电流主要流经Q1,只要保证Q1有足够的散热即可。Q1使用的型号为2N3055,这是一个NPN型的大功率三极管,它的Ice可以到15A,最大功率115W。
转载请注明来自广东雷正电气,本文地址:http://zf29k.wqbzf.cn/cpzs/7481.html 除非注明,广东雷正电气文章均为原创,转载请注明出处和链接!





