附近卖身电话100元,微信群,杭州学生有偿约,合肥品茶妹子,广州品茶推荐

电工初学者必需懂,非常详细的点动控制图解!

电工初学者必需懂,非常详细的点动控制图解!

时间:2020-7-28 作者:root
广告图

点动控制的详细解说

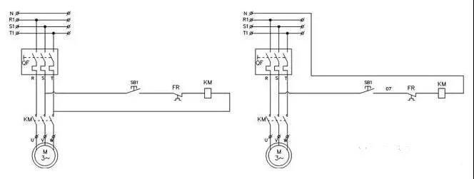
1) 点动控制的电气原理图:

电工初学者必需懂,非常详细的点动控制图解!

对电气原理图的详解:N零线,R1、S1、T1为三相进线电源,QF为空气开关,SB1为自复位按钮,FR为热继电器的常闭点(此处为DZ108-20空开的??サ悖?,KM为接触器,3M~为三相异步电动机。

备注:电气原理图左面接触器线圈电压为AC380V,右图线圈电压为AC220V.

2) 点动控制的实物连线图:

电工初学者必需懂,非常详细的点动控制图解!

下面对点动控制的实物连线图进行详解:

首先将DZ108-20空开的绿色按钮按下,此时按下自复位按钮SB1,控制回路电流导通,接触器吸合,从而三相异步电动机运转。当松开自复位按钮SB1时,控制回路电流断开,接触器随即断开,三相异步电动机停止运转。如果三相异步电动机超负荷运转导致电流过载,空开就会自动断开,此时,红色按钮进去,绿色按钮弹出来,控制回路断开,同时三相电随即断开,电动机停止运转,起到过载?;すδ埽耸?,空开常闭点闭合,跳闸报警指示灯报警,通知用户此回路出线问题。

备注:此实物连接图中选用的空开为DZ108-20型,接触器为CJX2-1210,线圈电压为AC380V,选接触器时线圈电压千万不要选错,切记切记,报警灯线圈电压为AC220V.


转载请注明来自广东雷正电气,本文地址:http://zf29k.wqbzf.cn/cpzs/7611.html
除非注明,广东雷正电气文章均为原创,转载请注明出处和链接!
广告图

服务热线

0769-81815262

0769-81815263

137-9867-7889

功能和特性

价格和优惠

获取内部资料

雷正电气人工客服

人工微信客服

13798677889 在线客服