附近卖身电话100元,微信群,杭州学生有偿约,合肥品茶妹子,广州品茶推荐

家用配电箱的详细安装方法(图解),一分钟学会如何安装!

家用配电箱的详细安装方法(图解),一分钟学会如何安装!

时间:2020-7-30 作者:root
广告图

水电工程是装修中的一个重点,水电安装对于今后的生活有着很重要的影响。配电箱是对家中电路的总控开关,配电箱的安装关系到对于家中电路的日常控制。这里需要我们在装修过程中格外注意。下面小编就带着大家一起来了解一下家用配电箱安装方法,以及配电箱线路图。

家用配电箱的详细安装方法(图解),一分钟学会如何安装!

配电箱应符合以下要求:

1、配电箱分属外壳和塑料外壳两种,有明装式和暗装式两类,其箱体必须完好无缺。

2、箱体内接线汇流排应分别设立零线、?;そ拥叵摺⑾嘞?,且要完好无损,具良好绝缘。

3、空气开关的安装座架应光洁无阻并有足够的空间。

4、配电箱门板应有检查透明窗。

家用配电箱的详细安装方法(图解),一分钟学会如何安装!

家用配电箱安装方法:

1、明装配电箱,配电箱安装在墙上时,应采用开脚螺栓(胀管螺栓)固定,螺栓长度一般为埋入深度(75~150mm)、箱底板厚度、螺帽和垫圈的厚度之和,再加上5mm左右的“出头余量”。对于较小的配电箱,也可在安装处预埋好木砖(按配电箱或配电板四角安装孔的位置埋设),然后用木螺钉在木砖处固定配电箱或配电板。

2、暗装配电箱,配电箱嵌入墙内安装,在砌墙时预留孔洞应比配电箱的长和宽各大20mm左右,预留的深度为配电箱厚度加上洞内壁抹灰的厚度。在圬埋配电箱时,箱体与墙之间填以混凝土即可把箱体固定住。

家用配电箱的详细安装方法(图解),一分钟学会如何安装!

3、配电箱应安装牢固,横平竖直,垂直偏差不应大于3mm;暗装时,配电箱四周应无空隙,其面板四周边缘应紧贴墙面,箱体与建筑物、构筑物接触部分应涂防腐漆。

4、配电箱内装设的螺旋式熔断器,其电源线应接在中间触点的端子上,负荷线应接在螺纹的端子上。这样,在装卸熔芯时不会触电。瓷插式熔断器应垂直安装。

5、配电箱内的交流、直流或不同电压等级的电源,应具有明显的标志。照明配电箱内,应分别设置零线(N线)和保护零线(PE线)汇流排,零线和?;ち阆哂υ诨懔髋派狭?,不得绞接,应有编号。

6、导线引出面板时,面板线孔应光滑无毛刺,金属面板应装设绝缘?;ぬ?。金属壳配电箱外壳必须可靠接地(接零)。

配电箱的安装要点是:

1、应安装在干燥、通风部位,且无防碍物,方便使用。

2、配电箱不宜安装过高,一般安装标高为1.8米,以便操作。

3、进配电箱的电管必须用锁紧螺帽固定。

4、若配电箱需开孔,孔的边缘须平滑、光洁。

家用配电箱的详细安装方法(图解),一分钟学会如何安装!

5、配电箱埋入墙体时应垂直、水平,边缘留5—6毫米的缝隙。

6、配电箱内的接线应规则、整齐,端子螺丝必须紧固。

7、各回路进线必须有足够长度,不得有接头。

8、安装后标明各回路使用名称。

9、安装完成后须清理配电箱内的残留物。

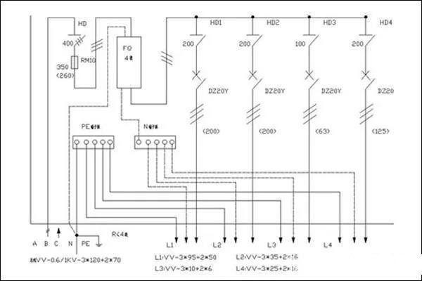
配电箱接线图:

家庭配电箱接线图在进行安装的时候也是必不可少的,小编特地为大家准备了几幅很详细的接线图。

家用配电箱的详细安装方法(图解),一分钟学会如何安装!

家用配电箱的详细安装方法(图解),一分钟学会如何安装!

家用配电箱的详细安装方法(图解),一分钟学会如何安装!

编辑总结:家庭用电是我们必须仔细和严格把关的一部分,电路的安装安全、完善,那么在今后的生活中也能够安心使用,消除家中的安全隐患。


转载请注明来自广东雷正电气,本文地址:http://zf29k.wqbzf.cn/cpzs/7756.html
除非注明,广东雷正电气文章均为原创,转载请注明出处和链接!
广告图

服务热线

0769-81815262

0769-81815263

137-9867-7889

功能和特性

价格和优惠

获取内部资料

雷正电气人工客服

人工微信客服

13798677889 在线客服